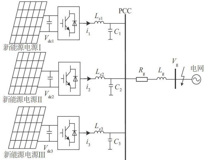
摘要:基于海上光伏电站的实际背景,设计多种浮式消浪结构,在二维大波浪水槽内进行试验,测量得到不规则波条件下的时域响应信号。分析得到波浪的透射系数、反射系数和波能损耗系数,研究表明:与单浮箱式浮式消浪结构相比,增加单个浮箱宽度、增加浮箱数量、在浮箱底面两侧设置竖直插板、斜翼板均可提升结构的波能耗散能力,提升消浪效果;对于设计的双浮箱结构,底面斜翼板入水深度每增加 0.5m ,其透射系数平均减小约 15% ;在此基础上,双浮箱间增设一层多孔竖直插板后波浪透射系数进一步减小,有效波高 2m 的不规则波穿过设计的浮箱底面加装翼板、浮箱间加装多孔插板的双浮箱浮堤后,波浪能仅剩 12% ,可满足海上浮式光伏电站的抗浪需求。
摘要:针对传统准Z源DC-DC变换器存在电压增益低和器件电压应力高的问题,提出一种高增益软开关准Z源DC-DC变换器(HGSS-QZS)。通过三绕组耦合电感匝比和开关管占空比共同调节,可提高升压能力和增益调节的自由度;并利用钳位电路吸收耦合电感的漏感能量,降低漏感引起的电压尖峰。首先详细分析HGSS-QZS变换器的工作原理,推导出电压增益、器件电压电流应力和效率损耗,其次进行参数设计并与现有变换器对比。表明HGS-QZS变换器具有电压增益高、器件电压应力低、软开关和效率高的优点。最后搭建200W实验样机,结合仿真与实验对比验证了HGSS-QZS变换器的有效性和可行性。
摘要:为提高神经网络对光伏阵列故障诊断故障精度,提出一种通过仿真获取数据并进行变分模态分解(VMD),并通过改进的登山优化算法(COMTBO),用于双向长短期记忆(BiLSTM)网络的光伏阵列故障诊断。首先,在Matlab/Simulink软件环境下搭建光伏阵列模型,进行数据特征分析,模拟光伏阵列故障,并引入更多的故障特征组成故障数据,使用VMD将故障数据分解成多个分量,并选出最大的能量对应的模态分量作为输入量。然后,提出融合混沌映射、鱼鹰优化算法(OOA)和柯西变异策略的COMTBO算法来实现对BiLSTM的参数寻优,构建VMD-COMTBO-BiLSTM神经网络模型,使光伏阵列故障诊断率达 98% ,在实际实验中准确率也达 99% 以上。
摘要:在构建以新能源为主的新型电力系统背景下,为充分挖掘光伏发电大规模并网对电力系统节能降碳的支撑潜力,以更好发挥光伏电站统一管理对提升电力系统运营效率的积极作用,提出考虑光伏发电集群模式下的系统电-碳耦合运营决策机制,主要从3个方面进行方案设计及机理论述:一是考虑电-碳指标的光伏集群划分方法;二是构建光伏发电集群对于系统电-碳指标影响关键路径分析模型;三是构建光伏集群模式下的系统电-碳耦合运营效率决策体系。最后,对下一步的研究重点进行展望。基于所提方案可为分析光伏发电集群对于系统低碳运营效率的支撑作用机制奠定基础,并为进一步厘清各环节碳排放责任和系统运营效率管理的薄弱环节提供分析方法,同时可为系统运行方式调节及低碳调度决策提供思路。
摘要:基于太阳电池等效电路,建立光伏组串I-V输出特性模型,通过数值求解,提出任意环温、太阳辐照度下的模型参数和最大功率点计算方法,进而建立光伏组串时间序列输出特性模型;针对老化、电势诱导衰减(PID)、隐裂、热斑等故障,研究获得不同类型和程度故障下的差异性变化规律;根据时间序列和全局最大功率点曲线的变化特点,确定和提取故障特征量,进行故障类型区分和故障程度描述。仿真和实验结果表明:所建立的模型和提出的方法能较高精度地拟合实测数据;计算获得的任意太阳辐照度和环温下的模型参数和全局最大功率点,其变化规律具有明确的差异性;所提出的故障特征量,能够很好地区分故障类型和描述故障程度变化。
摘要:针对光伏发电的间歇性和随机性给光伏功率预测带来的准确性不足问题,提出基于时空双流网络与多重注意力的短期光伏功率预测模型。模型结合ModernTCN、ITransformer、GRU及TimesNet网络,充分挖掘光伏发电的空间分布特性和时间序列动态性,利用迭代交叉注意力机制有效融合独立提取的特征,形成包含丰富时空信息的特征向量,从而有效提升光伏功率的短期预测精度。实验结果证实,该模型在预测精度方面要优于现有主流时序模型。
摘要:针对分布式光伏功率预测中存在的原始数据有限问题,提出一种基于中位数与平均数为计算指标,结合BIRCH聚类方法进行集群划分,并采用集群累加法的预测框架。通过分别对各集群建立多种预测模型进行光伏功率预测,最终汇总各集群结果,实现对区域分布式光伏出力的整体预测。基于贵州省某区域20座分布式光伏电站的实际数据开展仿真分析,实验结果表明,所提方法预测精度较高,能满足实际应用需求。
摘要:为提高光伏功率的预测精度,提出一种基于完全自适应噪声经验模态分解(CEEMDAN)和串行卷积神经网络及门控神经网络(CNN-GRU)的光伏功率组合预测模型。首先,针对光伏功率波动性对预测结果的影响,采用CEEMDAN将原始光伏功率分解为若干子序列降低序列的非平稳性,并通过样本熵(SE)计算各子序列的复杂度,将SE值相近的序列,进行重组以减少计算量。其次,为克服单一神经网络在学习光伏功率历史数据特征的局限性,提出串行CNN-GRU混合神经网络以充分挖掘光伏功率的时空特征;将各子序列输入串行CNN-GRU得到预测结果,并将子序列预测结果叠加得到光伏功率预测结果。最后,对两个地区的光伏电站进行实例验证,同时构建LSTM、GRU、CEEMDAN-LSTM、CEEMDAN-GRU和串行CNN-GRU,进行对比验证。结果表明,所提模型能得到良好的预测结果,拥有良好的预测精度和泛化能力。
摘要:为进一步解决高渗透光伏场站并网带来的电压波动及越限问题,提出一种基于模型预测的光伏虚拟同步机(VSG)无功电压快速控制方法。首先,根据虚拟同步机的无功-电压特性,建立基于VSG的无功-电压控制的动态模型。然后,根据动态模型建立基于模型预测的离散式无功-电压状态空间增量方程,考虑未来一段时间的系统并网电压差值来预测所需无功功率序列,并通过滚动优化和反馈校正不断更新并跟踪使得未来并网电压输出与参考轨迹偏差值最小,从而实现光伏VSG系统的无功电压快速控制。此外,分析该模型的闭环系统稳定性,计算特征值得到合适的权重系数,使系统满足收敛性。最后,搭建光伏场站接入两区域输电网的仿真模型,验证所提控制方法的正确性及有效性。
摘要:针对漂浮式光伏环境下传统最大功率点追踪算法寻优准确性不足的特点,提出一种基于平均功率估算的最大功率追踪方法,并在Matlab/Simulink环境中搭建仿真模型,对该方法进行仿真验证并与扰动观测法和粒子群算法进行仿真对比。结果显示,基于平均功率估算的最大功率追踪方法具有更好的动态追踪能力和准确度。
摘要:针对光伏发电功率随机性强、波动性高导致预测精度低的问题,提出一种基于聚合模态分解(AMD)、时间卷积网络(TCN)和双向门控循环单元(BiGRU)的光伏功率组合预测模型。该模型使用完全自适应噪声集合经验模态分解(CEEMDAN)对原始光伏序列进行处理,得到多个频率不同的子序列,通过样本熵(SE)对子序列进行区分,保留含信号的低频、中频分量。将CEEMDAN分解得到的高频分量用逐次变分模态分解(SVMD)进行二次分解,降低序列不平稳度。最后,构建不同分量的TCN-BiGRU网络模型,得到各分量的预测值进行加和后输出最终预测结果。通过算例分析进行实验表明,对比其他模型,所提出的组合预测模型在光伏发电功率预测中具有较高的预测精度和稳定性。
摘要:为研究装配式光伏支架结构在风荷载作用下的承载性能,以某光伏支架优化项目为基础,制作足尺光伏支架结构,进行静力加载试验研究,结合数值模拟,分析其力学性能。此外,研究了该支架结构在负风压工况下的受力性能。研究表明:结构在设计荷载下各构件未超过材料屈服应力,且挠度符合规范要求。有限元模拟与试验结果吻合较好,验证了有限元模拟方法的正确性。分析发现支架结构在 140% 设计荷载下有足够的承载力,结构破坏模式为钢梁局部失稳。
摘要:提出一种基于改进麻雀搜索(ISSA)优化随机森林(RF)的算法,用以提高光伏阵列故障诊断的准确率。首先,通过搭建光伏阵列模拟5种工况,提取故障向量,构造光伏阵列故障数据集。其次,通过测试函数对灰狼搜索算法(GWO)、粒子群算法(PSO)、ISSA和麻雀搜索算法(SSA)进行寻优对比,发现ISSA在平均值和标准差方面均优于其他算法,显示出更好的鲁棒性。然后,利用光伏阵列故障仿真数据集对ISSA-RF诊断模型进行性能分析,得到ISSA-RF方法整体准确率达到 97.06% ,比传统RF模型提高6.94个百分点。最后,结合实验室光伏阵列开路、短路、遮荫、老化和正常5种工况数据集对ISSA-RF诊断模型进行验证,证明所提基于ISSA-RF的光伏阵列故障诊断方法具有较高的分类效率和精度,其性能表现优于其他诊断模型。
摘要:为提高光伏阵列故障诊断的准确性,提出一种结合改进蜜獾优化算法(IHBA)与双向长短期记忆网络(BiLSTM)的混合诊断模型。区别于面向功率预测的特征工程,该文聚焦于故障辨识,从光伏阵列的电流-电压与功率-电压特性曲线中,系统性提取涵盖基础、离散及分布统计的3类特征,形成10维度的综合特征向量。针对原始蜜獾算法易早熟收敛、搜索效率不足的缺陷,IHBA算法进行:采用Tent混沌映射改善种群初始分布、设计动态自适应控制因子以平衡搜索过程、引入小孔成像反向学习策略增强全局寻优能力3方面改进。基准函数测试表明,IHBA在收敛速度与求解精度上均优于对比算法。在此基础上,利用IHBA对BiLSTM网络的超参数进行自动寻优,可克服人工调参的盲目性,显著增强模型对高维非线性故障特征的建模能力与泛化性。最终,在包含正常、开路、短路、局部遮蔽及老化五类状态的仿真数据集上,IHBA-BiLSTM模型取得 97.1014% 的诊断准确率,其性能全面超越支持向量机、极限学习机、长短期记忆网络及其他智能优化算法结合的对比模型,证实该方法在光伏阵列多类故障诊断中兼具高精度与强鲁棒性。
摘要:针对光伏发电领域中使用历史数据进行超短期功率预测精度不足的问题,提出一种融合数值天气预报(NWP)相似日与多头注意力-长短期记忆网络(MHA-LSTM)的超短期光伏发电功率预测方法。采用相关系数法分析光伏发电功率与气象信息的内在联系,梳理历史数据中与光伏发电功率高度相关的气象因素,构建关键气象信息的变量矩阵并进行分段处理,以便进行更为精细的相似日分析。引人多头自注意力机制以自动捕捉NWP数据中所蕴含的复杂函数关系,并利用长短期记忆神经网络(LSTM)对经多头自注意力机制增强后的数据信息进行处理以得到更为准确的超短期预测结果。最后,选取多种不同天气类型对算法的预测精确度展开对比分析,实验结果显示所提出的预测方法相较于传统算法,在预测精度上实现显著提升,验证了该方法的有效性和准确性。
摘要:针对现有光伏组件清扫机械臂在常用工作空间性能不高的问题,提出一种改进哈里斯鹰优化算法对机械臂的结构尺寸进行优化,该算法结合正交交叉算子,使得局部搜索能力变得更强。根据实际发电厂光伏组件安装参数,建立常用工作空间的约束指标,并将常用工作空间的全局性能和结构长度两个指标作为目标函数。仿真试验结果表明,改进后的算法寻优更快,针对提出的两个指标分别提高 21.27% 和 8.72% ,相同作业环境下,优化后的机械臂到达目标位置所需时间相对于优化前缩短21.7% ,机械臂的灵活性提高,清扫光伏组件的效率提升。
摘要:针对传统红外光伏组件缺陷检测精确低、速度慢问题,提出一种基于改进YOLOv8的红外光伏组件缺陷检测方法WD_YOLOv8。首先引入Wise-IoU v2 损失函数替换原算法中的CIoU损失,提升检测精确率,同时提高精确率 P 和召回率R之间的平衡;其次,在特征融合网络Neck中采用DySample上采样,保持较好的检测帧率。实验表明,改进后模型在红外伪彩色光伏组件缺陷检测场景下指标 P?mAP@0.5 和F1-score分别提高0.3、1.5和2.6个百分点;在红外灰度光伏组件缺陷检测场景下指标 P?mAP(ω0.5 和F1-score分别提高18.6、7.7和5.1个百分点。改进后算法在红外场景下具有良好的鲁棒性和适应性。
摘要:针对传统光伏发电功率预测模型在预测精度和泛化能力上的不足,该文设计并实现一种耦合PCC、LSTM与XGBoost算法的预测模型。首先,利用皮尔逊相关系数(PCC)对影响太阳电池发电功率的多维度特征进行筛选,构建优化的输入特征集;其次,通过长短期记忆网络(LSTM)建模时间序列数据中的长期依赖关系,获得初步的功率预测;同时,引入极端梯度提升树(XGBoost)算法对光伏发电功率的特征进行非线性建模和预测。最后,通过LSTM和XGBoost的预测结果进行策略融合得到预测结果,以提高预测精度和泛化能力。实验结果表明,该文提出的融合模型在中长期光伏功率预测中具有更高的精度和稳定性,模型的预测效果显著优于传统方法。由此可见,该文提出的PCC-LSTM-XGBost模型为光伏发电功率的精确预测提供了新的技术途径,特别适用于不同的气候条件场景下的光伏电站功率预测。
摘要:为提高光热-光伏运营主体的收益与消纳能力,考虑吸热、储换热、发电、熔盐电加热等系统模块的启停及动态切换条件,建立联合电站多时间尺度动态优化调度模型,以响应调峰需求并最大化联合电站收益;模型耦合电力系统日前-日内滚动经济调度,以优化出力结果作为申报出力曲线,构建以最小化电力系统综合运行成本为目标的优化调度模型;最后以西北某地区电力系统的实测数据为算例进行分析。算例分析表明:面向调峰的该策略相较于传统调度策略和收益最大化策略分别提高电站总收益 13.48% 和 6.67% ,电力系统的弃风弃光率分别减少 1.39% 和 0.5% 。
摘要:采用蒸发速率和蒸发效率两个评价指标,综述太阳能界面蒸发器蒸发性能强化相关研究,梳理光吸收强化、热管理、水输运调节、降低蒸发焓、利用其他能量和抗盐策略6种性能强化方法,概述各方法的原理和主要手段。最后总结太阳能界面蒸发技术当前亟待解决的问题,展望未来研究方向。
摘要:以某太阳能热发电站高温熔盐罐基础为研究对象,建立熔盐罐基础风机强制通风和自然通风两种温度场计算模型。以冷却风速、环境温度、海拔、通风管管径和保温层厚度为关键因素,研究罐基础土壤表面最高温度随关键因素的变化趋势。无论在强制通风还是在自然通风模式下,环境温度和海拔对两种通风模式下的罐基础温度具有类似影响。熔盐罐基础底部土壤表面最高温度随环境温度和海拔的升高而升高。熔盐罐基础在风机强制通风模式下,通风管内风速大,强制对流换热能力增强,罐基础降温明显。熔盐罐基础在自然通风模式下,熔盐罐基础土壤表面温度难以在最高环境温度下满足设计要求。在自然通风模式下,增加保温层厚度和通风管管径是降低土壤表面温度的主要途径。
摘要:为协同优化太阳能蓄供热系统的舒适性和经济性,以高速公路某服务区建筑为研究对象,利用TRNSYS软件建立系统能耗模型。以经济性和舒适性为目标函数,热舒适分区为约束条件,得到系统设计参数的Pareto最优解集,再利用TOPSIS熵权法得到最优设计参数组。与初始设计参数组对比,在热舒适性均满足要求的前提下,系统年生命周期成本降低 18.58% 、COP提高 27.64% ,具有节省投资和运行费用的双重优势。
摘要:为解决太阳能集热器和热泵联合供暖的供暖模式选择和运行优化问题,提出数字孪生和模型预测控制相结合的多源协同互补供暖系统控制优化方法。首先构建可表征供暖系统供暖模式切换的多源协同互补供暖系统状态空间模型;然后在每个控制周期生成若干可行的供暖模式切换策略并构建对应的虚拟实体,用以模拟供暖模式切换的多种情景,通过比较各虚拟实体虚拟运行优化结果,选出最优的供暖模式切换策略和设备运行功率,控制多源协同互补供暖系统运行;最后对供暖系统运行进行大量的仿真分析,验证所提方法具有更优的供暖经济性和稳定性。
摘要:通过建立熔盐储罐的热模型与应力模型,考虑热力耦合变液作用下,罐壁与底板支撑刚度对储罐力学性能的影响。结果表明,不同液位储罐的温度分布大体一致,底板外伸焊缝位置与拱顶连接位置存在最大温差,约为 4°C 。静水压力主要影响罐体的沉降,满载工况下最大沉降量约 0.2m 。热应力主要影响罐体径向位移,最大径向位移约为 0.28m 。增加罐底刚度,有助于减小罐体的沉降与应力,底部最优设计刚度为 5MPa/m 。罐体形变对罐壁刚度的变化不敏感,而且罐壁刚度的增加导致应力急剧增加,因此,不可限制由于热应力引起罐体产生的径向位移。该文研究结果可为实际大型高温熔盐储罐的设计提供理论指导。
摘要:对9种浅色涂料的紫外可见光近红外波段反射光谱以及表面温度进行测试,探究颜色对太阳辐射吸收特性的影响机理,明确涂料表面温度与太阳辐射吸收特性的关联。结果表明,9种涂料太阳辐射吸收系数的最高值和最低值相差0.1539;色相对可见光波段的反射光谱曲线波形以及近红外波段的反射比大小影响显著,色相值越大,反射光谱曲线波谷位置向低波长偏移,即对短波段辐射能具有更强的吸收效果;饱和度影响可见光波段光谱曲线波动幅度,高饱和度涂料对波峰处辐射能具有更强的反射能力,对波谷处辐射能具有更强的吸收能力。此外,太阳辐射吸收系数越大,涂料表面温度越高,且可见光波段光谱波长特征亦影响涂料的太阳辐射吸收效果,当涂料的低反射率波带更宽、高反射率波段太阳辐射密度更低时,涂料表面温度更高。
摘要:提出一种塔式光热电站吸热器表面组合光斑能流密度检测方法,通过CCD相机拍摄镜场内部分定日镜在漫反射标靶上的光斑样本,映射出全镜场所有定日镜投射在吸热器表面的光斑能流密度分布,实现吸热器表面组合光斑能流密度的测量。该方法结合了间接测量法和数值模拟方法各自的优势。详细介绍该方法的原理,并在青海省某50MW塔式光热电站进行测试实验,结果证明:该方法能够定位组合光斑能流密度发生偏差的区域,在典型时刻,测得的组合光斑和设计值对比, 80% 的吸热器面板均值能流密度偏差在 5% 以内,偏差较大的面板集中在南侧,最大均值偏差 12.9% ,最大峰值偏差 18.9% 。对产生偏差的定日镜群进行调整后,可降低吸热器能量溢出损失约1个百分点。
摘要:以全国99个地面气象站观测的水平面月总辐照量(GHI)为基准,对比分析台站实测GHI与NASA、Solargis、Meteonorm这3类数据的差异,构建综合指数评价方法,以筛选太阳能资源评估中的最优数据源,并给出误差订正系数。结果表明,Solargis、Meteonorm数据单站GHI的空间分布与实测值更为接近,NASA数据在四川盆地存在明显高估;3类数据的站点GHI在西北、西藏、四川等地空间差异最显著。误差分析显示,Meteonorm数据与实测值的相关系数最高, 75% 的站点相关系数 ?0.98 ,且均方根误差、绝对误差、相对误差最小的站点数量占比最多,Solargis数据精度次之,NASA数据误差最大。纬度与相对误差的相关分析表明,Solargis数据在低纬地区高估GHI,高纬地区低估GHI,Meteonorm则呈现相反趋势。基于误差分析结果,本研究构建综合指数评价方法,筛选出99站最优数据类型,并将其空间插值至全国范围。结果显示,全国 55% 的区域优选Meteonorm数据, 27% 的区域优选Solargis数据, 18% 的区域优选NASA数据,优选后的最优数据相对误差范围缩小至 -4.5% 25.9% 。因此,在太阳能资源评估应用中,建议北方大部、西藏、川西等地应用最优数据时,将GHI适当增加 1%~5% ,新疆南部、青海、华中、华南等地则需将GHI减少 1%~6% 。
摘要:利用2023年中国136个辐射站逐小时总辐射对Himawari-9短波辐射进行多时空尺度评估,结果表明:1)全国平均日内变化上,08:00—18:00期间Himawari-9短波辐射与地基总辐射的相关系数(Corr)均超过0.85,呈单峰型分布,09:00和10:00最高;均方根误差(RMSE)日内变化同样呈单峰型分布,15:00最高;平均偏差(Bias)呈双峰型分布,峰值分别出现在10:00和15:00。2)全国平均年内变化上, Corr 呈双峰型分布,两个峰值分别出现在4和10月份;RMSE呈单峰型分布,夏季(7—8月份)最高,均超过了 100W/m2 ,秋冬季节的RMSE较低;Bias为单峰型分布,春季最高,12月份Bias最低。3)空间分布上,中国中部和东部地区的Corr较高,北方和高原地区部分站点的 Corr 较低;中部和东部地区为RMSE低值区,这些区域Himawari-9短波辐射高于地基总辐射,西部、北部和高原地区为RMSE高值区,Himawari-9短波辐射低于地基总辐射。4)进一步分析海拔高度对Himawari-9短波辐射质量的影响,整体上随海拔高度增加, Corr 减小,RMSE增大,在海拔高度低于 2000m 的地区Himawari-9短波辐射整体高于地基总辐射,高于 2000m 的地区Himawari-9短波辐射存在对低辐照度高估、对高辐照度低估的特征;通过不同卫星仰角分组评估表明,在中低海拔地区,RMSE呈单谷型分布,仰角在 20°~25° 时,RMSE最低,仰角低于 20° 时,Bias为负值,随仰角增加,Bias转为正值并逐渐增大,高海拔地区在仰角低于35°时,评估结果差异较小,仰角大于 35° ,Corr最低,RMSE最高。
摘要:为实现新能源的高消纳,减少碳排放,该文通过电解水制氢与氢气甲烷化技术、电锅炉与燃气轮机等设备将电网与热网紧密联系。首先,对综合能源系统中各单元进行建模;其次,引人需求侧响应,将其分为价格型需求响应与替代型需求响应;然后,考虑系统的能量流动特性,对各单元运行状况进行约束;最后,综合考虑可靠性、经济性、环保性及弃电率,建立多目标下综合能源系统容量配置策略。在此基础上,用Matlab中的商业求解器CPLEX对模型的容量配置进行求解,分析在有无需求响应和有无储能的情况下,对系统容量配置的影响,采用恶劣天气,对已配置容量的可靠性与经济性进行验证,结果表明该容量配置在恶劣情况下,仍能在仅失去较少负荷的情况下有良好的经济性和较高的风光消纳率。
摘要:在电网发生不对称电压跌落时逆变型新能源场站可能出现电压骤降、电流越限等一系列风险,并导致场站脱网造成严重后果。传统的新能源场站间协调控制方法的主要缺点是控制目标单一且严重依赖于实时通信。针对以上问题,提出一种基于数字孪生的新能源场站间多目标电压支撑协调控制策略。首先,开展新能源场站间多目标协调控制技术,在考虑逆变器运行安全的基础上,实现最大化支撑并网点电压、降低电网不平衡度等多目标控制。然后,建立考虑控制特性的新能源数字孪生模型,并基于数字孪生模型实现新能源场站间多目标协调控制技术,有效减少协调控制对于实时通信的依赖,并提高协调控制的响应速度。最后,基于电力系统实时仿真平台RTDS/RSCAD,搭建基于数字孪生的协调控制测试平台,并检验该方法的有效性。
摘要:针对光伏、储能等直流新能源发电资源接入电网的比例不断提高下新能源场站面临无功支撑能力不足的问题,提出一种基于图卷积网络(GCN)和双向长短期记忆网络(BiLSTM)的新能源场站暂态无功分布式协同优化方法。首先,通过构建多无功资源接入的新能源场站系统等值模型,研究多无功资源接人下的新能源场站暂态无功特性,建立新能源场站暂态无功模型;然后,以新能源场站无功资源运行成本为优化目标,建立新能源场站暂态无功协同优化模型,并结合BiLSTM-GCN对优化模型进行求解;最后,搭建新能源场站近区仿真系统模型,仿真验证所提新能源场站暂态无功协同优化方法的有效性。
摘要:随着综合能源系统各异质能源间的耦合互动加深,运行风险日渐凸显,为减小极端天气事件对系统的影响,提出一种面向韧性提升的综合能源系统线路时序修复方法。首先,引入支路状态变量,建立基于虚拟潮流的孤岛划分模型,确保关键负荷的持续供应。其次,构建两阶段线路时序修复模型,第一阶段以切负荷成本、开关操作成本、弃风弃光惩罚成本、耦合元件运行成本和启停成本最小为目标,制定网络重构和孤岛划分方案;第二阶段以修复后节点负荷功率损失最小为目标,确定最优修复顺序。最后,选取IEEE33节点系统 +11 节点气网 +6 节点热网的测试系统和某实际综合能源系统进行仿真验证。算例结果表明,通过网络重构、孤岛划分与时序修复的动态循环,可实现系统的高效恢复、减少故障全过程的负荷损失、提升系统极端天气下的韧性。
摘要:首先,通过动态矢量图分析故障恢复过程系统运行点的移动过程,揭示由于锁相环动态过程导致的暂态过电压机理。然后,分析锁相环控制特性并在此基础上考虑过电压约束条件,提出抑制暂态过电压的锁相环参数整定方法。最后,在PSCAD/EMTDC仿真验证分析结论及所提方法的有效性。
摘要:提出一种基于Transformer的多尺度融合网络模型,用于预测建筑暖通空调的能耗。通过引入多尺度金字塔模块与时间卷积网络结构,该模型能够有效捕捉时序特征的局部与整体信息,从而提高预测的准确性。实验结果表明,该模型在预测性能上优于传统的单一模型,均方根误差(RMSE)与平均绝对误差(MAE)均显著降低,决定系数 (R2) 达到 0.9826 该模型可为建筑能耗管理提供一种高效且准确的预测工具,有助于实现更高效的建筑能源管理与节能策略。
摘要:针对高渗透率可再生能源接入微电网以及可再生能源提供的电力与负荷需求之间的不平衡,提出考虑网络重构和需求响应的低碳优化调度策略。首先,利用网络重构实现微电网优化运行,有效改善电压偏差,降低总成本,最大限度地减少有功功率损耗,提出苦鱼算法(BFO)构建高渗透率可再生能源接人下微电网低碳优化调度模型。其次,提出一种基于激励需求响应资源和重构方法整合到日前时间框架的微电网调度中,使传统分布式发电的燃料成本和从电网购买电力的成本最小化,使微电网运营利润最大化。最后,采用IEE33节点系统进行算例验证,结果表明所提调度策略可有效削弱负荷峰谷差,提升系统运行稳定性、经济性和环保性。
摘要:为解决长期规划中初期规划方案和后期系统运行的衔接问题,基于集聚提升类农村的用能特点,在考虑最优建设时序的基础上,以关中平原某村庄为例建立集聚提升类农村综合能源系统多阶段规划模型,结果表明:1)与单阶段规划方法相比,考虑最优建设时序的多阶段规划方法使得能源系统设备残值提高 38.9% ,运行费用降低 5.0% ,全生命周期成本降幅为4.5% ,系统环保效益同时得以提升。2)用能负荷的增加会凸显出多阶段规划方法的优越性,发展速度较快的农村因此尤其适合采用多阶段方法进行综合能源系统规划。3)严寒、寒冷、夏热冬冷及夏热冬暖各典型代表地区的能源系统在采用多阶段规划方法后,分别较单阶段规划情形全生命周期成本降低 5.01%.4.51%.4.30%.0.21% 。若在严寒、寒冷、夏热冬冷地区采用多阶段规划方法进行能源系统规划可显著提升系统经济效益,而夏热冬暖地区经济效益提升则有限。
摘要:为提高微电网系统可再生能源利用率,利用多微网间能源互联互济实现弃风弃光与碳排放的缩减,提出一种基于考虑碳-绿证交易机制的区域热网和电网多微网联合系统的低碳优化调度模型。首先,梳理电、热耦合多微网互济应用场景的微电网数学模型;接着,在引入碳-绿证联合交易机制的基础上构建以系统综合成本最低为目标的电-热耦合多微网互济系统规划模型,并提出采用CPLEX求解工具混合整数规划方法求解的优化策略;最后,通过中国西部典型场景的应用案例对模型有效性进行验证。研究结果表明,构建的模型方法可有效提高多微网联合系统的可再生能源消纳能力,减少系统碳排放,实现系统整体最优的经济性。
摘要:针对直流微电网储能系统中高电流应力导致蓄电池加速老化的问题,对双重移相调制下DAB变换器的峰值电流优化展开研究。首先,对双重移相调制下DAB变换器的换流过程及工作特性进行分析。然后,为降低电压不匹配时的电流应力,该研究以峰值电流表达式为目标函数,采用KKT条件构建数学模型,并求解出双重移相调制下Buck模式4种运行模态的最优移相比。将优化移相比分别代入各模态的边界条件,得出电流应力局部最优的功率传输范围。通过对比4种模态电流应力的大小关系,构建适用于全功率范围自适应ZVS模式的电流应力优化方案,确保全功率范围内电流应力达到最优水平。最后,通过实验验证在电压不匹配运行时,自适应ZVS模式调制与SPS调制和完全ZVS模式调制相比电流应力更小。
摘要:针对考虑电动汽车和光伏、风电出力的多微电网系统模型,以系统总运行成本最小化为目标函数,建立起基于深度强化学习的多微电网系统经济优化调度框架,并运用改进软演员-评论家(SAC)算法的框架设计状态、动作、奖励函数和神经网络结构,通过对激活函数和经验回放池的改进,提高了算法的搜索能力和防局部最优解的能力,实现了基于改进SAC算法的多微电网经济优化调度。经过仿真对比分析,该算法得到的调度策略降低了总运行成本。
摘要:为降低清洁能源的不确定性并提升微电网调度的经济性,建立以最小化微电网运营成本和环境治理成本为目标的调度模型。首先融合分时电价和清洁能源消纳,提出新型动态电价调整机制,在此基础上引人价格需求响应来综合优化负荷;其次采用一种基于融合余弦规律变化收敛因子、自适应惯性权重和柯西变异的改进灰狼优化算法(IGWO),利用典型测试函数将IGWO与其他成熟算法进行对比分析。最后仿真结果表明,在3种策略对比分析下利用IGWO算法求解基于风光消纳的价格需求响应优化调度模型,可达到日出力最优且运行总成本显著降低,验证了所提研究的可行性和经济性。
摘要:为定量评估空气湿度和环境温度对大容量压缩空气储能系统运行特性的影响,对空气物性进行高精建模,搭建大容量压缩空气储能工程的全工艺流程仿真系统。研究表明,将空气视为理想气体可导致系统设计容量偏小、热功供给不足,且这种缺陷在高温高压区间越发明显。空气湿度和环境温度对压缩系统的运行特性影响较大,当空气湿度增加、环境温度升高时,压缩系统的注气能力降低,为保证储气室压力,压缩系统须开大变频且增加注气时长,导致功耗等关键参数的改变。无论对于中温和高温压缩策略,水分析出量最大均发生在首级和第2级压缩流程,且随湿度的增大和环境温度的升高,各级水分析出量均增加且位置前移,运行中应格外关注。
摘要:针对风光发电的波动性,提出一种包含超级电容和碱性/质子交换膜电解制氢的混合储能系统两阶段优化模型。首先,通过经验模态分解对风光发电原始功率信号进行分解,并根据并网功率限值重构得到多频尺度波动分量。随后,在第一阶段提出多类型电解功率分配策略,从而构建包含平准化制氢成本和弃风弃光率的多目标容量规划模型,采用改进非支配排序遗传算法进行求解。接着,第二阶段以综合成本最小为目标构建运行优化模型,通过Gurobi进行求解。实际案例结果显示:相较于单一碱性电解槽与单一质子交换膜电解槽系统,本文所提系统在并网波动功率超标量上分别减少了 35.15% 和 20.15% ,波动惩罚成本分别降低了 9.7% 和 1.04% ;同时,其平准化制氢成本较单一质子交换膜系统降低 39.89% ,弃风弃光率减少20.15% 。
摘要:为探索能源结构绿色低碳转型和电力市场化改革形势下微电网内不同主体电能交互的有效方式,充分发挥储能作为独立主体参与电力交易的调控潜力,该文提出一种基于层级嵌套博弈的微电网独立储能与供需双响应协同优化策略。首先,基于源-储-荷的灵活调整,构建微电网内多主体双层级嵌套博弈互动框架,其中第一层级博弈为光伏用户需求响应优化用能策略,第二层级博弈为独立储能协调优化微电网供能策略,通过双层级交互决策变量实现供需双侧响应。其次,根据源-储-荷层级嵌套博弈关系,建立考虑各市场主体利益诉求的分布式协同优化模型。然后,利用启发式算法联合混合整数规划的方法求解供需多主体在追求目标最优时的交互策略。最后,通过算例验证所提策略的有效性,即能有效权衡多主体利益,提高储能资源的利用率,优化微电网电能供需平衡。
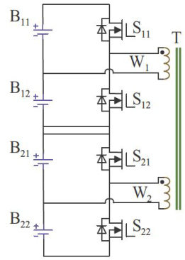
摘要:针对常规电池均衡器在均衡多个电池组过程中存在能量转移路径长、均衡效率低、模块化程度弱等问题,提出一种基于半桥的可模块化锂电池均衡器。均衡器采用半桥均衡电路和多绕组变压器相结合的方式进行模块化,引人移相控制使得各电池单体电压实现快速均衡。首先,分析所提均衡器的工作原理,推导影响均衡器模块内和模块间电池单体能量转移的关键因素。其次,通过理论分析揭示不同移相比对均衡器有功功率的影响。最后,搭建仿真模型与实验平台,对两组8节串联锂电池进行均衡实验验证。仿真与实验结果显示,所提均衡器在均衡速度、均衡效率和可扩展性等方面,相较于其他均衡器均有显著提高。
摘要:该文全面阐述了通过纤维、氧化物以及有机树脂改性对PEEK材料物理性能的影响,其中使用纤维材料可提升材料的受力均匀性和整体强度;氧化物的加入提升了材料在高温下的稳定性和使用寿命;添加树脂可降低材料的摩擦系数和磨损率。探讨了注塑成型、3D打印和热压成型等技术对PEEK性能的影响。重点介绍了PEEK材料在制氢领域的应用前景,同时在医疗、航空和汽车等领域也展现出广泛的应用潜力。
摘要:利用计算流体力学(CFD)工具,结合当前氢燃料电池汽车的代表产品丰田第二代Mirai车型,通过改变操作条件和环境工况对氢气在底盘区域和整车区域的泄漏及扩散进行数值模拟,研究泄漏位置、环境温度、通风条件对氢气泄漏扩散的影响。结果表明:氢气在障碍物较少的情况下扩散较为平稳,在障碍物较多的情况下会产生氢气聚积。环境温度的升高会使分子运动更加剧烈,使得氢气在相同时间内扩散范围更大,但整体上环境温度对氢气泄漏扩散的影响作用较小。增设通风条件会促进氢气与空气的融合,且随着通风口数量的增加,氢气扩散效果更为显著,但增设通风条件后,会使车内氢气体积分数在更短时间内达到可燃浓度下限。
摘要:采用故障模式与影响分析(FMEA)方法对液氢加氢站高压储氢瓶组潜在事故情景进行识别和分析,并以风险矩阵的形式对这些事故情景进行定性风险评估。此外,对比液氢加氢站高压储氢瓶组在有无安全措施下的风险矩阵结果,结果表明提出的安全措施可将高压储氢瓶组的风险水平降至可容忍水平。
摘要:提出一种基于PatchTST模型的燃料电池老化趋势预测方法,该方法通过将时间序列数据划分为多个局部时间窗口,并结合Transformer结构捕捉长短期依赖关系,可实现对燃料电池老化趋势的精确预测。在实验中,选取稳态和准动态工况下,分别采用训练集占比为 50%,60% 和 70% 的数据进行模型训练,并预测未来 50h,100h 和 150h 的老化趋势。通过 URMSE 和 U?MAE (204等误差评估指标分析结果表明,当FC1数据集的训练集占比为 60% 、FC2数据集的训练集占比为 50% 时,模型的预测误差最小。尽管随着预测时长的增加误差有所增大,但整体表现仍较为稳定。在FC1数据集分别按 50% 和 60% 比例划分的预测条件下,PatchTST模型的预测误差小于Informer、Trasnformer、GRU和LSTM模型。
摘要:利用数值模拟方法建立一种直接电加热SiC泡沫催化剂载体的乙醇水蒸气重整制氢反应器模型。基于所建立的数学模型对重整反应器性能进行研究。重点分析入口温度、水醇比、入口流速和电加热功率等因素的影响。以乙醇转化率和反应物的组分浓度作为评价指标。研究结果表明,升高入口温度和电加热功率能为重整反应提供更多热量,从而提高反应温度,促进重整反应进行。当入口温度从 873.15K 提高至1073.15K时,乙醇转化率从 95.5% 显著提高至 98.2% ;当电流功率从14W增至24W时,乙醇转化率由 94.6% 升至 98.9% 。此外,增大水醇比和减小入口流速也可有效提高乙醇转化率。
摘要:通过在传统直流道中加入微导流块提出一种改良流道设计。将导流块在流道内交错布置,以实现对气流的扰动作用,引起对流传质并增强反应气体的质量传递;基于CFD方法,建立新型导流块流道质子换膜燃料电池(PEMFC)三维、稳态、非等温两相模型,研究PEMFC的输出性能、氧气质量分数以及气体流速,定量分析导流块数量对燃料电池性能的影响,并与传统直流道PEMFC进行对比,揭示了改良流道提升PEMFC输出性能的机理。其中含有8个导流块的改良流道与传统直流道相比,最大电流密度提升 18.73% ,燃料电池峰值功率密度提升 8.46% ,其净功率密度达到 0.6208W/cm2 。
摘要:以多层绝热结构低温液氢容器为研究对象,基于逐层传热算法(Layer-by-Layer,LBL)理论构建多层绝热低温容器三维等效传热模型,分析不同真空度下液氢容器各结构温度分布特性,揭示真空度对液氢容器传热特性的影响机理,进而构建真空失效工况与温度分布规律的关联关系。研究结果表明:液氢容器两侧封头温度高于中央罐体区域。当真空度为 10-2~1Pa 时,液氢容器中多层绝热结构主要依赖热辐射进行传热。当夹层真空度由 1Pa 逐渐失效至 104Pa 时,热传导效应开始体现并逐渐占据传热主导地位,外容器壁面温度从291.34K降至 275.78K 。当真空度由 104Pa 失效至 105Pa 时,绝热结构内气体分子数目增多,真空层内高低温气体分子团流动加剧,显著促进对流换热在热量传递中的作用,进而导致外容器外壁面温度转为上升趋势,增幅约 4.01K 真空度与温度分布规律的关联关系将有助于探究真空失效对传热机理的影响规律,并实现多层绝热液氢容器的真空度监测。
摘要:为满足高效电解水制氢系统对低电流纹波、大输出电流和低输出电压的电能需求,提出一种基于耦合电感的高降压比交错型DC/DC变换器。该变换器采用飞跨电容结构,能够将功率器件的最大电压应力有效限制在输人电压的一半,从而提升系统的安全性和可靠性。通过耦合电感的分时复用方式,变换器实现了软开关操作,显著降低了开关频率下的开关损耗。此外,交错设计进一步减少了输出电流纹波,有效改善了系统的动态响应和稳定性。最后,仿真和实验结果表明,所提变换器具备软开关、低电流纹波和低输出电压等优异特性,能够满足高效制氢系统对电能质量的严格要求。
摘要:基于全国各省的太阳能辐射数据,深入分析光电催化直接制氢和光伏电解间接制氢两种技术在不同地理区域的适应性和效率变化。通过综合评估全年辐照度、日照时长、波长分布及昼夜变化等关键因素,揭示了不同辐射条件对制氢效率的影响。首先,光电催化剂的性能取决于吸收波长范围,不同催化剂在光谱中的吸收效率差异显著, TiO2 的实际制氢能力稳定,因环境友好、高稳定性和低成本成为当前的主力。通过与CdS催化剂制氢能力的对比, TiO2 需通过改性等手段,进一步扩大可吸收波长范围,提高反应效率,进而提升可见光利用率,以适应工业化需求。其次,太阳辐射的季节性波动会影响光电催化剂的制氢能力,夏季制氢量最高,冬季最低,通过优化催化剂可提升全年制氢效率。光伏制氢在所有季节中均优于光电催化,特别在夏季,协同光伏与光电催化技术可最大化太阳能利用率,平衡季节性波动影响。分析表明,西部和南部地区,特别是西藏等地的太阳辐照度与制氢能力最高。未来,需深人研究光电催化剂优化与光伏发电协同制氢,以实现更高效的、更低成本的氢能生产。